Будьте в курсе!
Новости, обзоры и акции
Время работы:
ПН-ПТ 10:00 - 19:00
СБ-ВС выходной
Новости, обзоры и акции
|
|
|
|
|
|
(0)
|
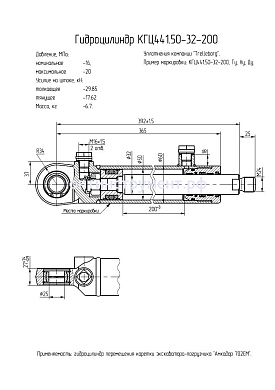
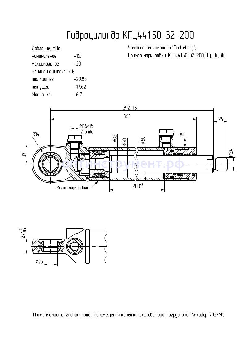
Вы можете узнать актуальную цену для города Севастополя, на гидроцилиндр КГЦ441.50-32-200, сделав запрос, на наш электронный адрес 2584500@bk.ru
Гидроцилиндр перемещения каретки экскаватора-погрузчика "Амкадор 702ЕМ" КГЦ 441.50-32-200 в продаже по цене 6 255 руб. в Интернет-магазине Проф-инструмент с доставкой в Севастополе. Звоните по телефону +8 (800) 302-10-51.
Новости, обзоры и акции
